以下是 0-10V 調光 LED 投光燈原理及接線方法的介紹:
0-10V 調光屬于模擬信號調光技術,主要通過改變輸入到燈具的 0-10V 電壓信號來控制電源輸出電流,進而調節 LED 投光燈的亮度。具體過程如下:
調光信號產生:調光器產生 0-10V 的直流電壓信號,該信號作為控制信號輸出。例如,當需要降低燈光亮度時,調光器輸出較低的電壓值,如 2V;當需要增加亮度時,輸出較高的電壓值,如 8V。
信號傳輸與接收:調光器輸出的 0-10V 信號通過信號線傳輸到 LED 投光燈的驅動電源。驅動電源內部的電路會對這個信號進行識別和處理。
電流調節:驅動電源根據接收到的 0-10V 信號,相應地調整輸出給 LED 燈珠的電流大小。當輸入電壓為 0V 時,驅動電源輸出的電流幾乎為零,LED投光燈熄滅;當輸入電壓為 10V 時,驅動電源輸出最大電流,LED 投光燈達到最大亮度。而在 0-10V 之間的不同電壓值,則對應著不同的中間亮度級別,從而實現了連續的調光功能。

所需材料和工具
接線步驟
準備工作:關閉電源,確保在無電狀態下進行接線操作,以防止觸電危險。使用剝線鉗剝去電源線和信號線兩端的絕緣外皮,露出適量的金屬導線。
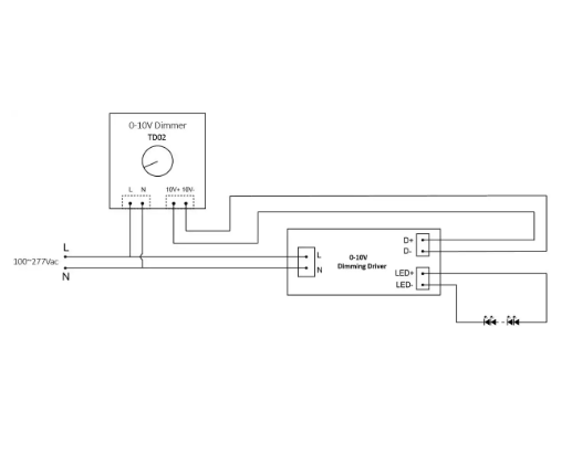
連接電源線:將市電的火線(一般為紅色或棕色線)連接到調光器的電源輸入端的火線接線端子上,零線(一般為藍色線)連接到調光器電源輸入端的零線接線端子上。然后,從調光器的電源輸出端引出兩根線,分別連接到 LED 工礦燈的電源輸入端的相應接線端子上,通常 LED投光燈的電源線也會有明確的標識,如 “L” 接火線,“N” 接零線4。
連接信號線:將調光器的 0-10V 信號輸出端通過信號線連接到 LED投光燈的調光信號輸入端。有些 投光燈可能只有一個專用的調光信號輸入端子,此時將信號線的一端連接到該端子上即可;如果有多個端子,需要根據產品說明書確定具體的連接方式,通常會標有 “DIM” 或 “0-10V” 等標識7。
檢查與固定:接線完成后,使用萬用表檢查線路連接是否正確,有無短路或斷路情況。確認無誤后,用絕緣膠帶將接線處包裹好,做好絕緣防護,防止漏電。同時,將燈具和調光器固定在合適的位置,整理好線路,避免線路雜亂或受到外力拉扯。
測試:打開電源,通過調光器調節 0-10V 的電壓信號,觀察 LED投光燈的亮度是否隨著信號電壓的變化而相應地改變,以驗證接線是否正確和調光功能是否正常。如果發現燈光亮度異?;蛘{光不靈敏等問題,應及時關閉電源,重新檢查接線和設備是否存在故障。
