鍦ㄧ収鏄庣鎶涓嶆柇鍙戝睍鐨勪粖澶╋紝閮庣壒縐戞妧鐨勯槻姘?LED 鐏鑴遍鑰屽嚭錛屾垚涓轟紬澶氱収鏄庨渶姹傜殑鐞嗘兂閫夋嫨銆傚畠鍏鋒湁璇稿鏄捐憲鐗圭偣錛屼緥濡傛樉鑹叉寚鏁伴珮錛岃兘澶熺湡瀹炶繕鍘熺墿浣撹壊褰╋紝璁╃収鏄庣幆澧冩洿鍔犺嚜鐒惰垝閫傦紱鍏夌嚎鏌斿拰錛屾湁鏁堥伩鍏嶄簡寮哄厜鍒虹溂甯︽潵鐨勪笉閫傦紱瀹夎鏂逛究錛屾棤璁烘槸鏇挎崲浼犵粺鐏榪樻槸榪涜鏂扮殑鐓ф槑甯冨眬錛岄兘鑳借交鏉句笂鎵嬨傚叾澶栧瀷涓庡昂瀵稿拰浼犵粺涓浣撳寲鏀灦鐩鎬豢錛屽彲鐩存帴鏇挎崲浼犵粺涓浣撳寲鏀灦浣跨敤錛屽垎浣撶殑鍒欒兘鐩存帴鏇挎崲鍘熻崸鍏夌伅綆★紝鏋佸ぇ鍦頒究鍒╀簡鐢ㄦ埛鐨勫崌綰ф敼閫犮?/p>
榪欑闃叉按 LED 鐏鐨勫簲鐢ㄨ寖鍥村崄鍒嗗箍娉涳紝鍦ㄩ奔緙哥収鏄庝腑錛屽畠鍙互涓洪奔鍎胯惀閫犲嚭閫傚疁鐨勫厜鐓х幆澧冿紝鍚屾椂鍏墮槻姘存ц兘涔熻兘紜繚鍦ㄦ疆婀跨殑楸肩幾鐜涓畨鍏ㄤ嬌鐢紝涓嶄細鍥犳按姹借屾崯鍧忥紱鍦ㄦ鐗╃敓闀夸績榪涙柟闈紝閫氳繃鎻愪緵鐗瑰畾鍏夎氨鐨勫厜鐓э紝婊¤凍妞嶇墿鍏夊悎浣滅敤鐨勯渶姹傦紝鍔╁姏妞嶇墿鑼佸.鎴愰暱銆傛澶栵紝鍦ㄦ埛澶栨櫙瑙傜収鏄庛佹疆婀跨殑鍦頒笅瀹ゃ佸崼鐢熼棿浠ュ強涓浜涙湁闃叉按闃插皹闇姹傜殑宸ヤ笟鍦烘墍絳夛紝閮庣壒縐戞妧鐨勯槻姘?LED 鐏閮借兘澶ф樉韜墜銆?/p>
鑰屽湪闃叉按 LED 鐏鐨勪嬌鐢ㄨ繃紼嬩腑錛屾帴綰挎槸鑷沖叧閲嶈鐨勭幆鑺傘傛紜殑鎺ョ嚎涓嶄粎鑳戒繚闅滅伅綆℃甯稿彂鍏夛紝瀹炵幇鍏跺悇欏瑰姛鑳斤紝榪樺叧緋誨埌浣跨敤鐨勫畨鍏ㄦэ紝閬垮厤鍥犳帴綰塊敊璇紩鍙戠煭璺佹紡鐢電瓑鍗遍櫓鎯呭喌錛屼粠鑰岀‘淇濅漢鍛樺拰璁懼鐨勫畨鍏ㄣ傛帴涓嬫潵錛屾垜浠皢璇︾粏浠嬬粛閮庣壒縐戞妧闃叉按 LED 鐏鐨勬帴綰挎柟娉曘?/p>
浜屻侀槻姘?LED 鐏鐨勫垎綾諱笌緇撴瀯
錛堜竴錛夊垎綾?/h3>
閮庣壒縐戞妧鐨勯槻姘?LED 鐏鏈夊縐嶇被鍨嬶紝甯歌鐨勬湁鍒嗕綋寮忋佸渾鏌卞艦銆佷竴浣撳寲絳夈傚垎浣撳紡闃叉按 LED 鐏鐨勭伅綆′笌鐢墊簮鍒嗙錛岃繖縐嶈璁′究浜庢洿鎹㈢伅綆℃垨鐢墊簮錛岀淮淇垚鏈緝浣庯紝鑰屼笖鍦ㄥ畨瑁呮椂鍙互鏍規嵁瀹為檯闇姹傜伒媧昏皟鏁寸伅綆′笌鐢墊簮鐨勪綅緗紝閫傜敤浜庝竴浜涘鐏叿甯冨眬鏈夌壒孌婅姹傜殑鍦烘墍錛屽鍟嗕笟搴楅摵鐨勫睍紺烘灦鐓ф槑錛屽彲灝嗙數婧愰殣钘忓湪灞曠ず鏋剁殑鏆楀錛屼粎闇插嚭鐏鎻愪緵鐓ф槑錛屾棦緹庤鍙堟柟渚跨淮鎶ゃ傚渾鏌卞艦闃叉按 LED 鐏澶栧艦鍛堝渾鏌辯姸錛屽叾緇撴瀯绱у噾錛屽瑙傜畝媧佸ぇ鏂癸紝鍦ㄤ竴浜涘鐏叿閫犲瀷鏈夎姹傜殑鐜涓簲鐢ㄥ箍娉涳紝濡傜幇浠i鏍肩殑瀹跺眳瀹㈠巺鍚婄伅錛岄噰鐢ㄥ渾鏌卞艦闃叉按 LED 鐏鍙笌鏁翠綋瑁呬慨椋庢牸鐩稿緱鐩婂槳錛岃惀閫犲嚭綆綰﹁屾椂灝氱殑鐓ф槑姘涘洿銆備竴浣撳寲闃叉按 LED 鐏鍒欏皢鐏鍜岀數婧愰泦鎴愬湪涓璧鳳紝瀹夎鏇翠負渚挎嵎錛屽彧闇灝嗙伅綆$洿鎺ュ畨瑁呭湪鐏駭涓婂嵆鍙紝閫傜敤浜庡ぇ瑙勬ā鐨勭収鏄庡伐紼嬶紝濡傚鏍℃暀瀹ゃ佸姙鍏絳夊満鎵鐨勭収鏄庢敼閫狅紝鑳藉澶уぇ鎻愰珮瀹夎鏁堢巼錛屽噺灝戞柦宸ユ椂闂村拰鎴愭湰銆?/p>
錛堜簩錛夌粨鏋?/h3>
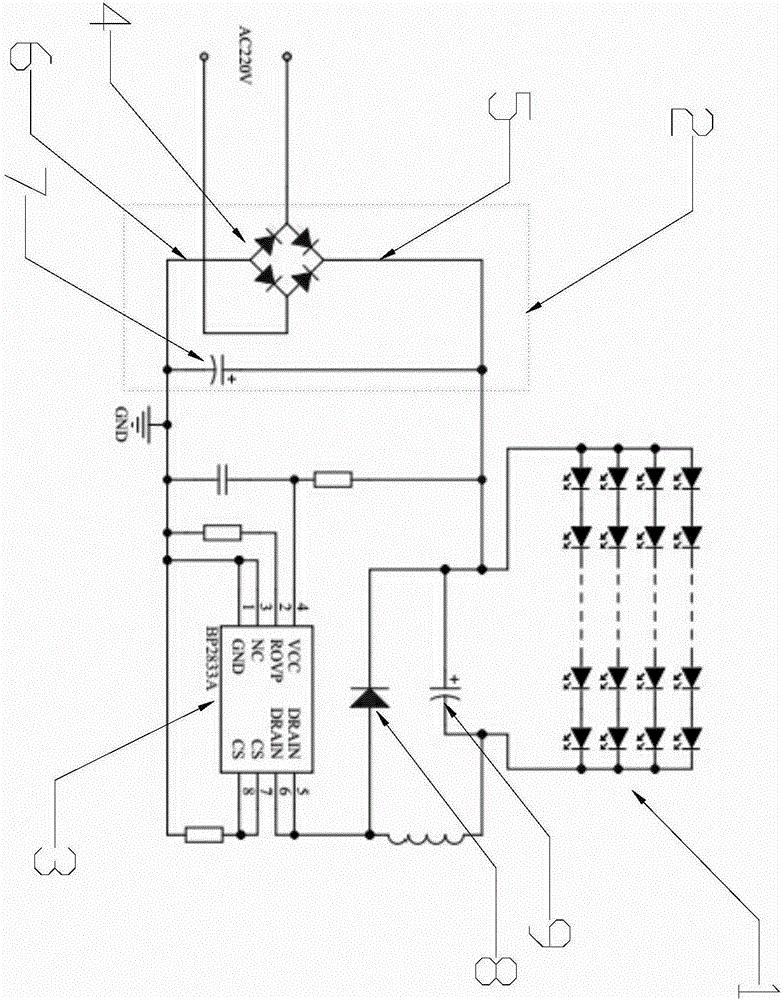
鍏朵富瑕佺敱鐏澶栧3銆佺伅鐝犮佺數婧愮瓑閮ㄥ垎緇勬垚銆傜伅綆″澹抽氬父閲囩敤浼樿川鐨勫鏂欐垨閲戝睘鏉愭枡鍒舵垚錛屽叿鏈夎壇濂界殑闃叉按鎬ц兘錛岃兘澶熸湁鏁堥槻姝㈡按姹姐佺伆灝樼瓑鏉傝川榪涘叆鐏鍐呴儴錛屼繚鎶ゅ唴閮ㄧ數璺厓浠躲備緥濡傦紝閲囩敤 PC 鏉愯川鐨勫澹籌紝涓嶄粎闃叉按闃插皹錛岃繕鍏鋒湁杈冮珮鐨勫己搴﹀拰鑰愯厫铓鎬э紝鍙湪鎭跺姡鐨勭幆澧冧笅闀挎湡浣跨敤銆傜伅鐝犳槸鍙戝厜鐨勬牳蹇冮儴浠訛紝閮庣壒縐戞妧鐨勯槻姘?LED 鐏涓鑸夌敤楂樺搧璐ㄧ殑 LED 鐏彔錛岃繖浜涚伅鐝犲叿鏈夊彂鍏夋晥鐜囬珮銆佹樉鑹叉уソ銆佸鍛介暱絳変紭鐐癸紝鑳藉鎻愪緵鏄庝寒鑰岃嚜鐒剁殑鍏夌嚎銆備笉鍚屽瀷鍙風殑鐏浼氭牴鎹渶姹傞噰鐢ㄤ笉鍚屾暟閲忓拰瑙勬牸鐨勭伅鐝狅紝浠ユ弧瓚充笉鍚岀殑鐓ф槑浜害瑕佹眰銆傜數婧愬垯璐熻矗涓虹伅鐝犳彁渚涚ǔ瀹氱殑鐢靛姏渚涘簲錛屽畠灝嗚緭鍏ョ殑甯傜數杞崲涓洪傚悎鐏彔宸ヤ綔鐨勭數鍘嬪拰鐢墊祦銆備紭璐ㄧ殑鐢墊簮鍏鋒湁楂樻晥鑺傝兘銆佺ǔ瀹氭у己絳夌壒鐐癸紝鑳芥湁鏁堜繚闅滅伅綆$殑姝e父榪愯錛屽悓鏃惰繕鍏峰榪囧帇淇濇姢銆佽繃嫻佷繚鎶ょ瓑鍔熻兘錛屽彲閬垮厤鍥犵數鍘嬫嘗鍔ㄦ垨鐢墊祦寮傚父瀵圭伅綆¢犳垚鎹熷潖錛屽歡闀跨伅綆$殑浣跨敤瀵垮懡銆傝繖浜涚粨鏋勯儴鍒嗙浉浜掑叧鑱旓紝鍏卞悓褰卞搷鐫闃叉按 LED 鐏鐨勬帴綰挎柟寮忓拰鎬ц兘琛ㄧ幇銆?/p>
涓夈佹帴綰垮墠鐨勫噯澶囧伐浣?/h2>
錛堜竴錛夋潗鏂欏伐鍏峰噯澶?/h3>
鍦ㄨ繘琛岄儙鐗圭鎶闃叉按 LED 鐏鎺ョ嚎涔嬪墠錛岄渶瑕佸噯澶囧ソ鐩稿簲鐨勬潗鏂欏拰宸ュ叿銆傛潗鏂欐柟闈紝瑕佸噯澶囧悎閫傝鏍肩殑鐢電嚎錛屽叾瑙勬牸搴旀牴鎹伅綆$殑鍔熺巼鍜屼嬌鐢ㄥ満鏅潵紜畾錛屼緥濡傚浜庡姛鐜囪緝澶х殑鐏錛岄渶閫夌敤妯埅闈㈢Н杈冨ぇ鐨勭數綰匡紝浠ョ‘淇濊兘澶熸壙杞借凍澶熺殑鐢墊祦銆傚悓鏃訛紝榪橀渶瑕佺粷緙樿兌甯︼紝鐢ㄤ簬鍖呰9鐢電嚎鎺ュご錛岄槻姝㈡紡鐢靛拰鐭礬銆傚伐鍏峰垯鍖呮嫭铻轟笣鍒錛岀敤浜庢媶鍗稿拰瀹夎鐏叿澶栧3鍙婃帴綰跨瀛愪笂鐨勮灪涓濓紱鍓ョ嚎閽籌紝浠ヤ究鍑嗙‘鍦板墺鍘葷數綰跨殑緇濈紭澶栫毊錛岄湶鍑哄悎閫傞暱搴︾殑閲戝睘綰胯姱榪涜榪炴帴錛涙澶栵紝榪樺彲鍑嗗鐢電瑪錛岀敤浜庡湪鎺ョ嚎鍓嶆嫻嬬數璺槸鍚﹀甫鐢碉紝紜繚鎿嶄綔鐜鐨勫畨鍏ㄦс?/p>
錛堜簩錛夊畨鍏ㄦ敞鎰忎簨欏?/h3>
瀹夊叏鏄帴綰挎搷浣滆繃紼嬩腑鐨勯噸涓箣閲嶃傞鍏堬紝鍦ㄨ繘琛屼換浣曟帴綰挎搷浣滀箣鍓嶏紝鍔″繀鍏抽棴鐢墊簮鎬婚椄錛屽垏鏂數璺紝闃叉瑙︾數浜嬫晠鐨勫彂鐢熴傝繖涓姝ラ鐪嬩技綆鍗曪紝鍗存槸淇濋殰浜鴻韓瀹夊叏鐨勫叧閿紝緇濅笉鍙拷瑙嗐傚悓鏃訛紝瑕侀伩鍏嶆箍鎵嬫搷浣滐紝鍥犱負姘存槸鑹ソ鐨勫鐢典綋錛屾箍鎵嬫帴瑙︾數綰挎垨鐢靛櫒璁懼瀹規槗寮曞彂瑙︾數鍗遍櫓銆傚湪鎿嶄綔榪囩▼涓紝榪樺簲娉ㄦ剰媯鏌ユ墍浣跨敤鐨勫伐鍏鋒槸鍚﹀畬濂芥棤鎹燂紝濡傛湁鐮存崯鍙兘浼氬鑷存搷浣滃け璇垨寮曞彂鍏朵粬瀹夊叏闂銆傚彟澶栵紝瑕佺‘淇濆伐浣滅幆澧冨共鐕ャ佹暣媧侊紝閬垮厤鍦ㄦ湁縐按鎴栨槗鐕冪墿鐨勭幆澧冧腑榪涜鎺ョ嚎浣滀笟銆?/p>

鍥涖侀儙鐗圭鎶闃叉按 LED 鐏鎺ョ嚎鍥捐瑙?/h2>

錛堜竴錛夊垎浣撳紡闃叉按 LED 鐏鎺ョ嚎
1. 鍗曠閫氱數鎺ョ嚎
榪欑鎺ョ嚎鏂瑰紡涓嬶紝LED 鐏鐨勪竴绔笉鎺ョ嚎錛屽彟涓绔牭澶存槸鍫典笂鐨勩備袱涓伅澶翠箣闂存病鏈変換浣曡繛鎺ュ叧緋匯傝繖鏍峰仛鐨勬渶澶уソ澶勬槸瀹夊叏錛屽鏋滅伅綆$殑涓绔帴涓婁簡浜ゆ祦鐢碉紝閭d箞鍙﹀涓绔粷瀵逛笉浼氬甫鐢點備緥濡傦紝鍦ㄤ竴浜涘瀹夊叏鎬ц姹傝緝楂樼殑鍦烘墍錛屽娼箍鐨勫湴涓嬪鎴栬呮湁鍎跨媧誨姩鐨勫尯鍩燂紝閲囩敤鍗曠閫氱數鎺ョ嚎鏂瑰紡鐨勯儙鐗圭鎶闃叉按 LED 鐏鍙互鏈夋晥閬垮厤鍥犺瑙︽湭榪炴帴绔屽鑷寸殑瑙︾數鍗遍櫓銆?/p>
2. 鍙岀閫氱數鎺ョ嚎
瀵逛簬鍙岀閫氱數鐨勫垎浣撳紡闃叉按 LED 鐏錛屼袱澶撮兘鑳介氱數錛岃繖鏍風殑濂藉鏄紝鑳藉灝嗗鏀槻姘寸伅綆′覆鑱旇搗鏉ヤ嬌鐢ㄣ傛瘮濡傚湪涓浜涘晢涓氱収鏄庡満鎵錛屽瓚呭競璐ф灦鐓ф槑錛岄噰鐢ㄥ弻绔氱數鎺ョ嚎鐨勯儙鐗圭鎶闃叉按 LED 鐏鍙互淇濊瘉鐏厜鍒嗗竷鏇村姞鍧囧寑錛岀収鏄庢晥鏋滄洿濂姐?/p>
錛堜簩錛変竴浣撳寲闃叉按 LED 鐏鎺ョ嚎
涓浣撳寲闃叉按 LED 鐏鐨勬帴綰跨浉瀵硅緝涓虹畝渚褲傞鍏堝皢鍘傚閰嶅鐨勬帴澶存彃鍏ョ伅澶村唴錛岀劧鍚庝細鐪嬪埌鏈変笁鏍圭嚎錛屽叾涓粍緇跨嚎鏄帴鍦扮嚎錛岃繖鏄負浜嗕繚闅滀嬌鐢ㄨ繃紼嬩腑鐨勫畨鍏紝閬垮厤鍥犳紡鐢佃屽紩鍙戝嵄闄┿傚皢榛勭豢綰垮Ε鍠勬帴鍦板悗錛屽叾浣欎袱鏍圭嚎鍒嗗埆鎺ョ伀綰垮拰闆剁嚎鍗沖彲銆備竴鑸崟澶寸殑涓や釜鑴氬垎鍒帴闆剁嚎鍜岀伀綰匡紝涓嶉渶瑕侀晣嫻佸櫒鍜屽惎杈夊櫒銆備緥濡傚湪鍔炲叕瀹ょ収鏄庝腑錛屽畨瑁呴儙鐗圭鎶涓浣撳寲闃叉按 LED 鐏鏃訛紝鍙渶鎸夌収涓婅堪鎺ョ嚎鏂規硶錛屽氨鑳藉揩閫熷畬鎴愬畨瑁咃紝涓旇兘淇濊瘉紼沖畾鐨勭収鏄庢晥鏋滐紝涓哄姙鍏幆澧冩彁渚涙槑浜岃垝閫傜殑鍏夌嚎銆?/p>

浜斻佺壒孌婃儏鍐典笌娉ㄦ剰瑕佺偣
澶氭敮鐏涓茶仈鎺ョ嚎
鍦ㄤ竴浜涢渶瑕佸ぇ闈㈢Н鐓ф槑鐨勫満鎵錛屽宸ュ巶杞﹂棿銆佸ぇ鍨嬪晢鍦虹瓑錛屽線寰浼氶噰鐢ㄥ鏀槻姘?LED 鐏涓茶仈鐨勬柟寮忋傛鏃訛紝闇瑕佹敞鎰忚繛鎺ュご鐨勯夋嫨銆備竴鑸潵璇達紝鐏榪炴帴澶存湁紜蔣涔嬪垎錛岀‖鎻掗攢榪炴帴鐢ㄤ簬鐩寸嚎榪炴帴鐨勭伅綆★紝鑳界‘淇濊繛鎺ョ殑紼沖畾鎬э紱杞繛鎺ユ彃澶村垯閫傜敤浜庢嫄寮殑鍦版柟錛屽彲婊¤凍涓嶅悓鐨勫畨瑁呭竷灞闇姹傘傜劧鑰岋紝澶氭敮鐏涓茶仈鐨勬暟閲忓茍闈炴棤闄愬埗錛屽畠涓昏涓?LED 鐏鍝佽川鏈夊叧銆傚搧璐ㄥソ鐨勭伅綆★紝鍏跺唴閮ㄧ嚎寰勮緝綺楋紝榪囪澆鑳藉姏寮猴紝鑳藉涓茶仈鐨勬暟閲忕浉瀵硅緝澶氾紱鑰岃川閲忓樊鐨勬棩鍏夌伅錛岀嚎寰勭粏錛岃繃杞借兘鍔涘皬錛屼覆鑱旇繃澶氬鏄撳紩璧風數綰胯繃鐑敋鑷寵嚜鐕冿紝浠庤屽鑷寸伀鐏劇瓑鍗遍櫓鎯呭喌銆備緥濡傦紝閮庣壒縐戞妧鐨勬煇浜涢珮鍝佽川 T5LED 鐏鍦ㄦ爣鍑嗙數鍘嬩笅錛屾渶澶氬彲涓茶仈 30 鏍癸紝浣嗗湪瀹為檯搴旂敤涓紝浠嶉渶鏍規嵁鍏蜂綋鐨勪嬌鐢ㄧ幆澧冦佺數婧愪緵搴旇兘鍔涚瓑鍥犵礌緇煎悎鑰冭檻錛屽悎鐞嗙‘瀹氫覆鑱旀暟閲忥紝浠ョ‘淇濈収鏄庣郴緇熺殑瀹夊叏紼沖畾榪愯銆?/p>
鍏佹帴綰垮悗鐨勬鏌ヤ笌嫻嬭瘯
錛堜竴錛夊瑙傛鏌?/h3>
鎺ョ嚎瀹屾垚鍚庯紝棣栧厛瑕佽繘琛屽瑙傛鏌ャ備粩緇嗘煡鐪嬫瘡涓涓帴綰垮錛岀‘淇濈數綰胯繛鎺ョ墷鍥猴紝娌℃湁鏉懼姩鐨勮抗璞°傝嫢鎺ョ嚎涓嶇墷鍥猴紝鍦ㄧ伅綆′嬌鐢ㄨ繃紼嬩腑錛屽彲鑳戒細鍥犳帴瑙︿笉鑹屼駭鐢熺數鐏姳錛屽紩鍙戝畨鍏ㄤ簨鏁咃紝鍚屾椂涔熶細褰卞搷鐏鐨勬甯稿彂鍏夛紝瀵艱嚧鐏厜闂儊鎴栫唲鐏傛鏌ョ數綰跨殑緇濈紭澶栫毊鏄惁瀹屽ソ鏃犳崯錛屾湁鏃犵牬鎹熸垨瑁擱湶鐨勯噾灞炵嚎鑺傝嫢瀛樺湪瑁擱湶鐨勭數綰匡紝瀹規槗鍙戠敓瑙︾數鍗遍櫓錛屽挨鍏舵槸鍦ㄦ疆婀跨殑鐜涓紝婕忕數椋庨櫓浼氬ぇ澶у鍔犮傝繕瑕佹煡鐪嬬伅綆″澹蟲槸鍚︽湁鎹熷潖錛屽鐮磋銆佸彉褰㈢瓑錛岃嫢澶栧3鍙楁崯錛屽彲鑳戒細褰卞搷鐏鐨勯槻姘存ц兘錛屽鑷存按姹借繘鍏ュ唴閮紝鎹熷潖鐢佃礬鍏冧歡銆?/p>
錛堜簩錛夐氱數嫻嬭瘯
鍦ㄥ瑙傛鏌ユ棤璇悗錛屽彲榪涜閫氱數嫻嬭瘯銆傚厛灝嗙數婧愭婚椄鎵撳紑錛岄愭緇欑伅綆¢氱數錛岃瀵熺伅綆$殑鍙嶅簲銆傚鏋滅伅綆¤兘澶熸甯鎬寒璧鳳紝涓斾寒搴﹀潎鍖銆佺ǔ瀹氾紝娌℃湁闂儊銆佸拷鏄庡拷鏆楃瓑寮傚父鐜拌薄錛岃鏄庢帴綰垮熀鏈紜紝鐏姝e父宸ヤ綔銆傝嫢鐏涓嶄寒錛屽簲绔嬪嵆鍏抽棴鐢墊簮錛屾鏌ユ帴綰挎槸鍚︽湁璇紝濡傜伀綰褲侀浂綰挎槸鍚︽帴鍙嶏紝鐢電嚎榪炴帴鏄惁鏉懼姩絳夈傝嫢鐏鍑虹幇闂儊鐜拌薄錛屽彲鑳芥槸鐢變簬鐢靛帇涓嶇ǔ瀹氥佹帴綰挎澗鍔ㄦ垨鑰呯伅綆℃湰韜川閲忛棶棰樸傛鏃訛紝闇瑕佹鏌ョ數婧愮數鍘嬫槸鍚︽甯革紝浣跨敤鐢電瑪鎴栦竾鐢ㄨ〃嫻嬮噺鐏嚎鍜岄浂綰跨殑鐢靛帇錛岀‘淇濆叾鍦ㄧ伅綆$殑棰濆畾宸ヤ綔鐢靛帇鑼冨洿鍐呫傚悓鏃訛紝鍐嶆媯鏌ユ帴綰垮鏄惁鐗㈠浐錛岃嫢鍙戠幇鏉懼姩錛屽簲閲嶆柊榪炴帴騫跺浐瀹氬ソ銆傚鏋滅伅綆¢棯鐑侀棶棰樹粛鐒跺瓨鍦紝鍙兘鏄伅綆¤川閲忔湁闂錛岄渶瑕佹洿鎹㈢伅綆¤繘琛屾祴璇曘?/p>
